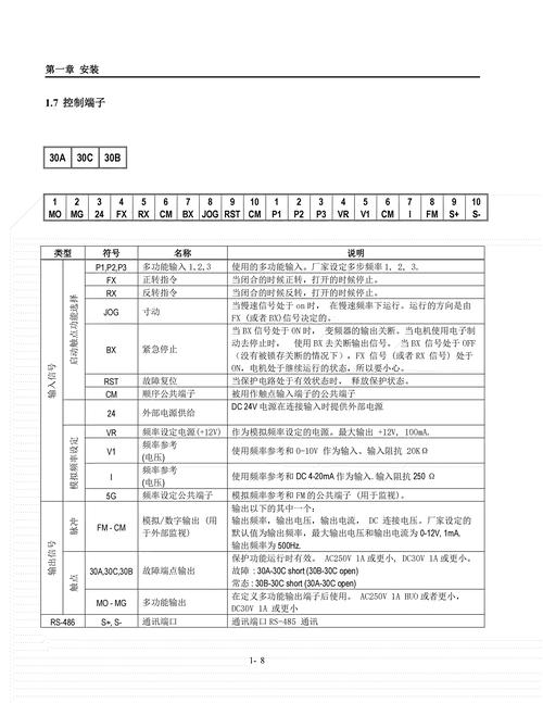
LG G6 核心配置概览
| 类别 | 项目 | 详细规格 |
|---|---|---|
| 基本参数 | 发布时间 | 2025年2月 |
| 机身尺寸 | 9 x 71.9 x 7.9 mm | |
| 重量 | 163 克 | |
| 机身材质 | 金属一体化机身(6000系列铝合金),前后玻璃面板 | |
| 颜色 | 冰川银、深空黑、丝绸白(部分市场) | |
| 屏幕 | 7英寸 QHD+ (2880 x 1440) IPS LCD 18:9 全面屏 比例 支持 HDR10 标准 Corning Gorilla Glass 3 玻璃保护 |
|
| 性能 | 处理器 | 高通骁龙 835 (Snapdragon 835) |
| GPU | Adreno 540 | |
| RAM (运行内存) | 4GB | |
| ROM (存储空间) | 32GB / 64GB (支持最大2TB microSD扩展) | |
| 摄像头 | 后置双摄 | 1300万像素 标准广角镜头 (f/1.8, OIS光学防抖) + 1300万像素 125° 超广角镜头 (f/2.4) |
| 前置摄像头 | 500万像素 (f/2.2, 80° 广角) | |
| 视频录制 | 支持 4K (30fps) / 1080p (30/60fps) 录制 | |
| 特色功能 | 全景拍摄、手动模式、激光自动对焦 | |
| 电池与充电 | 电池容量 | 3300mAh (不可拆卸) |
| 充电功率 | 快充 (Quick Charge 3.0) | |
| 无线充电 | 支持 (Qi标准) | |
| 操作系统 | 系统 | 出厂:Android 7.0 Nougat 可升级:Android 9.0 Pie |
| 界面 | LG UX 6.0 (基于Android) | |
| 其他特性 | 生物识别 | 后置指纹识别、面部识别 |
| 音频 | Hi-Fi Quad DAC (高保真四数模转换器) | |
| 防护等级 | IP68 级防尘防水 | |
| 其他 | USB Type-C 接口 (支持3.5mm耳机孔) |
配置亮点深度解析
屏幕:全面屏的先行者
这是LG G6最核心的卖点,在2025年,它是最早采用18:9全面屏设计的旗舰手机之一。

(图片来源网络,侵删)
- 超宽视野:相比传统的16:9屏幕,18:9的比例带来了更宽的视野,无论是看视频、玩游戏还是浏览网页,都能获得更强的沉浸感。
- QHD+高分辨率:2880x1440的分辨率使得显示效果极其细腻,文字边缘锐利,图像细节丰富。
- HDR10支持:能够显示更广的色域和更高的亮度,让观看支持HDR的Netflix、YouTube等内容时,画面更生动、更具层次感。
- 坚固的康宁玻璃:屏幕覆盖了第三代大猩猩玻璃,提供了不错的抗刮擦能力。
性能:当年的顶级水准
搭载的高通骁龙835是2025年安卓阵营的顶级处理器,性能和能效比都非常出色。
- 流畅体验:无论是日常应用多开,还是玩大型游戏,LG G6都能提供非常流畅、无卡顿的使用体验。
- 低功耗:8nm工艺制程带来的高能效比,保证了在强劲性能的同时,发热和功耗控制得比较好。
摄像头:广角摄影的探索者
LG G6的后置双摄在当时非常有特色,特别是超广角镜头。
- 125°超广角:这个角度比普通广角镜头要宽得多,非常适合拍摄风景、建筑,或者在狭小空间内拍摄合影,能容纳下更多画面,极具创意。
- 双1300万像素:主摄支持光学防抖,保证了在暗光下手持拍摄的稳定性,成片率更高。
- 方形截图模式:LG G6支持一种独特的“Square”模式,可以同时使用前后摄像头或双后摄,拍摄出类似Instagram的方形照片,迎合了当时的社交媒体潮流。
Hi-Fi Quad DAC:音质爱好者的福音
LG G6配备了四数模转换器,这是其区别于其他安卓旗舰的一大亮点。
- 解析力更强:Quad DAC能将数字音频信号更精确地转换为模拟信号,显著提升耳机的音质,尤其在解析细节、声场定位和动态范围上表现优异。
- 降低底噪:能有效减少手机播放音乐时产生的背景噪音,让声音更纯净。
坚固与实用
- IP68防尘防水:可以在1.5米深的水中浸泡30分钟,日常生活中的泼溅、雨水甚至意外落水都不用担心。
- 保留3.5mm耳机孔:在取消耳机孔成为趋势的2025年,LG G6毅然保留了它,对于习惯有线耳机的用户来说非常友好。
- 金属一体化机身:提供了良好的握持感和坚固度。
总结与评价
优点:

(图片来源网络,侵删)
- 开创性的全面屏设计,视野开阔,体验超前。
- 顶级性能,骁龙835保证了长期流畅使用。
- 独特的超广角双摄,玩法多样,极具创意。
- 出色的Hi-Fi音质,Quad DAC是音乐爱好者的加分项。
- 坚固耐用,IP68等级和金属机身很有安全感。
- 保留了实用的3.5mm耳机孔。
缺点:
- 电池容量一般,3300mAh在当时旗舰中偏小,重度使用可能一天需要充电。
- 系统更新支持较短,仅更新到Android 9.0 Pie,后续官方停止了更新。
- 后置指纹识别位置,位于摄像头下方,使用时手指容易沾上摄像头。
- 设计语言相对保守,相比同期三星S8等机型,外观冲击力稍弱。
LG G6是一款特点鲜明、实力不俗的旗舰手机,它凭借全面屏、超广角摄影和Hi-Fi音质,在2025年的市场中独树一帜,虽然现在来看,其电池和系统更新是短板,但作为一款经典的机型,它在设计创新和功能探索上留下了深刻的印记。
